400 836 9363
网站首页
中心概况
证书查询
新闻中心
法律法规
行业动态
行业标准
专业知识
珠宝鉴赏
在线服务
联系我们
网站首页
中心概况
中心介绍
业务范围
仪器设备
中心理念
证书查询
新闻中心
法律法规
行业动态
行业标准
专业知识
珠宝鉴赏
在线服务
联系我们
中心概况
中心介绍
业务范围
仪器设备
中心理念
行业标准
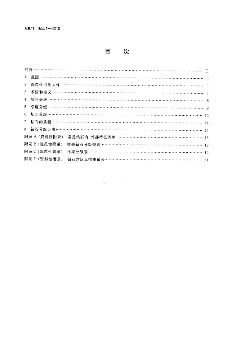
GB/T 16554-2010 钻石分级
发布时间:2018-01-24 浏览量:
次
上一篇:GB 11887-2012 首饰 贵金属纯度的规定及命名方法
下一篇:GB/T 16553-2010 珠宝玉石 鉴定
政府机关事业单位
中国质量检验协会
国家质量技术监督局
珠宝玉石行业协会
中国珠宝玉石首饰行业协会
贵金属相关网站
中国黄金协会
国际铂金协会
中国黄金网
中国白银网
珠宝玉石著名品牌
中国工商联珠宝检测中心
热门导航